忍者ブログ

[PR]

×

[PR]上記の広告は3ヶ月以上新規記事投稿のないブログに表示されています。新しい記事を書く事で広告が消えます。

コントローラー第2弾 試作記=3=動作確認編


コントローラー第2弾 試作記=3=
動作確認編

コントローラー第2弾 試作記=2=
製作・動作確認編から続く。

サイトはこちら

動作がおかしく、配線を何度もチェックしますが
何が違うのかわからず、困り果てていました。

データシートも確認しましたが、間違っていない
気がします。

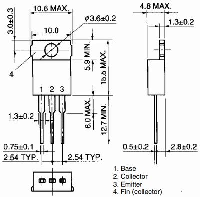
データシートの配線に関する部分を抜粋。
2SD560

外観図の抜粋。
2SD560

で、実際の配線。


会ってるような気がするんだけどなぁ。
でもエミッターからの出力がおかしい。

話題休眠。

=広告=
コロナ禍のご時世。
自宅でPCR検査を受けて、自分の状態を確認しておきませんか?

話を戻して。

参考にさせて頂いた、沖縄電気鐵道 -浦添線-の管理者に
アドバイスを頂き確認しました。

しかし、今一つ解決に至る部分が見つからず、
今回も一旦保留し、追加のアドバイスに従い

ブレッドボードの導入を決意しました。

と言う事で、いつも利用している秋月電子のサイトを
確認しました。
すると、在庫処分なのか格安のブレッドボードを見つけ
早速手配しました。
併せて、ブレッドボード用にボリュームと、スイッチも
発注しました。

次回に続く。

=広告=
PR